拉斯维加斯赌城

图片

Forschung

Forschung & wissenschaftliche Aktivit?ten

Im Rahmen des H2.UniA Netzwerks der Universit?t Augsburg wird interdisziplin?r auf die Fragestellungen der Wasserstofftechnologien eingegangen. Durch das breite Spektrum an Expertisen, k?nnen im Bereich des Wasserstoffes zu den Themenschwerpunkten Materialsynthese, Materialcharakterisierung, sensorische ?berwachungssysteme sowie Simulationen und Auslegungen von Hybridstrukturen beigetragen werden. Die Fokusaspekte unserer Wissenschaftler*innen adressieren dabei die Bereiche Produktion, Speicherung sowie Anwendung des Wasserstoffs und seiner Derivate.

Nickelschaum
REM-EDX eines Nickelschaumes als Elektrodenmaterial für die alkalische Wasserelektrolyse ? Universit?t Augsburg
H2-Testing
elektrochemische Charakterisierung von Elektroden ? Universit?t Augsburg
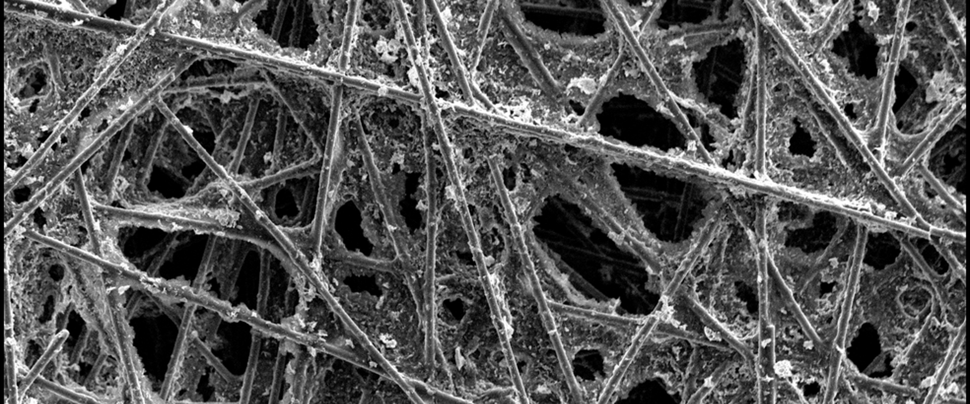
REM-Aufnahme eines katalytisch beschichteten Kohlenstofffaservlieses
REM-Aufnahme eines katalytisch beschichteten Kohlenstofffaservlieses ? Universit?t Augsburg

H2 Kompetenz an der Universit?t Augsburg

H2@AMU Auftragsanalytik und Engineering

Das AMU dient als Einrichtung für den Technologie- und Wissenstransfer in die Industrie, Gesellschaft und Wirtschaft. Herr Dr. Timo K?rner leitet hierbei den Gesch?ftsbereich ?Auftragsanalytik & Engineering (AAE)“ und koordiniert seit vielen Jahren F&E-Projekte mit den verschiedensten Themen der Institute für Physik (IfP) und Materials Resource Management (MRM). Die Forschungsschwerpunkte liegen u.a. in den Bereichen Materialwissenschaften, Mechanical Engineering oder Wasserstofftechnologien. Als Mitverantwortlicher der TaskForce H2@UniA ist er zudem Ansprechpartner für Kunden und Partner.

K?rner Timo

H2@IfP Experimentalphysik 1

Prof. Ferdinand Haider untersucht strukturelle und mechanische Eigenschaften von metallischen Werkstoffen mit den Schwerpunkten Korrosion, Phasenumwandlungen, Phasenverformung sowie Rührreibschwei?en. Im Fokus stehen die Analyse und Charakterisierung metallischer Gefüge in elektronenmikroskopische Abbildungen. Diese Themen k?nnen relevant für die Auslegungen und Planung von Hochdrucktanks sowie Untersuchungen von Werkstoffen hinsichtlich der Diffusion von Wasserstoff sein.

Ferdinand Haider

H2@IfP Experimentelle Plasmaphysik

Frau Prof. Ursel Fantz ist Plasmaphysikerin, die zudem am Max-Planck-Institut für Plasmaphysik in Garching forscht, wo sie seit 2010 kommissarisch den Bereich ITER-Technologie und -Diagnostik leitet. Ihre Kompetenzen liegen in der Herstellung und Speicherung von Wasserstoff mittels Plasmaverfahren, wie die Trockenreformierung oder die Ammoniaksynthese. Dazu z?hlt die Quantifizierung von Konversationsraten und Entwicklung von in-situ Diagnostiken für Molekülplasmen, insbesondere mit Wasserstoff und Stickstoff.

Fantz Ursel

H2@IfP Festk?rperchemie

Prof. Dirk Volkmer ist Lehrstuhlinhaber der Festk?rperchemie an der Universit?t Augsburg. In seiner Arbeitsgruppe spielt die Materialentwicklung eine gro?e Rolle, die für wasserstoffrelevante Themen wie mikropor?se Materialien für Wasserstoff Speichermaterialien (Kinetic Trapping), Gastrenntechnologien oder die photochemische H2 Produktion entscheidend sind.

Volkmer Dirk

H2@MRM Chemie der Materialien und Ressourcen

Prof. Richard Weihrich ist der wissenschaftliche Verantwortliche der Taskforce H2@UniA. Seine Expertise liegt vor allem im Bereich der Chemie der Materialien und wird vor allem unter dem Aspekt der Ressourceneffizienz betrachtet. Elektrodenmaterialien, die sich für eine nachhaltige Elektrolyse eignen, stehen im Fokus und sollen im H2-Lab für grundlagenforschungsnahe Tests entwickelt werden. Computer-gestütztes Materialdesign & Modellierung z?hlen ebenfalls zu seinen St?rken.

Prof. Richard Weihrich

H2@MRM Materials Engineering

Prof. Dietmar Koch befasst sich an seinem Lehrstuhl mit den Forschungsschwerpunkten im Bereich der keramischen Werkstoffe und Verbundstrukturen. Keramische Materialien k?nnen in der Wasserstofftechnologie an verschiedenen Stellen adressiert werden u.a. bei der Elektrolyse, der Entwicklung von Speichersystemen sowie bei wasserstoffbasierten Antriebstechnologien. Keramische Faserverbundwerkstoffe spielen in Prozessen eine wesentliche Rolle, bei denen das Material extrem hohe thermischer und mechanischer Beanspruchungen ausgesetzt ist.

Prof. Dr. Dietmar Koch

H2@MRM Materials for Demanding Environments

Der Forschungsschwerpunkt von Prof. Suelen Barg liegt auf dem Design und der Herstellung neuartiger nanostrukturierter Materialien auf der Basis von 2D-Materialien und Keramiken. Ihre Forschungsgruppe arbeitet an der Entwicklung von Elektroden und an Herstellungsverfahren für Multi-Materialien für den 3D-Druck. Diese Themen haben eine hohe Relevanz auch als H2 Technologien wie Energiespeicherung, katalytische Tr?ger sowie Graphen-basierte Filter.

Prof. Suelen Barg

H2@MRM Faserverbundkunststofftechnologie

Prof. Michael Kupke ist Lehrstuhlinhaber am MRM und Leiter des Zentrums für Leichtbauproduktionstechnologie (ZLP) am DLR in Augsburg. Durch diese enge Kooperation und Synergien der Institute findet ein Austausch an Forschungsarbeiten und Technologien bereits bei frühem Reifegrad statt, die hinsichtlich der Anwendung und Problemstellung optimiert und bewertet werden k?nnen. Eines seiner Spezialgebiete ist die Entwicklung und Optimierung von Drucktanksystemen.

Prof. Michael Kupke

H2@MRM Hybride Werkstoffe

Prof. Kay Weidemann besch?ftigt sich an seinem Lehrstuhl mit hybriden Verbundstrukturen mit hohem Leichtbaupotential, die auch für die Konstruktion von Speichertanks eine Rolle spielen. Hierzu z?hlen u.a. die Entwicklung und Charakterisierung von Fertigungsprozessen zur nachhaltigen Herstellung von Verbundwerkstoffen und Werkstoffverbunden. Hybride Werkstoffe, vor allem auch unter dem Aspekt der Ressourcenschonung, spielen in der industriellen Anwendung eine immer wichtigere Rolle und sind eines des Forschungskernthemen.

Prof. Kai Weidenmann

H2@MRM Mechanical Engineering

Prof. Markus Sause untersucht das gesamte werkstoffkundliche Spektrum zur Aufkl?rung von Prozess-Struktur-Eigenschafts-Beziehungen. Hierzu z?hlen u.a. die Entwicklung und Charakterisierung von Fertigungsprozessen zur nachhaltigen Herstellung von Verbundwerkstoffen und Werkstoffverbunden. Weitere Themen sind Prüfverfahren zur Materialcharakterisierung, die Untersuchung von Sch?digungsvorg?ngen in Materialien oder die Zustandsüberwachung von Prozessen und Bauteilen. Gerade bei der Nutzung zerst?rungsfreier Prüfverfahren und in der Prozessüberwachung fallen gro?e Datenmengen an, deren Analyse den Einsatz von Werkzeugen der künstlichen Intelligenz erfordern.

Prof. Dr. Markus Sause

H2@MRM Resource Lab

Frau Dr. Thorenz leitet die interdisziplin?re Forschungsgruppe ?Resource Lab“. Sie besch?ftigt sich mit der nachhaltigen Bewertung von Rohstoffen, Produkten und Zukunftstechnologien, der Gestaltung von Kreislaufwirtschaftssystemen, der Analyse von Lieferketten sowie dem Design nachhaltiger Materialien. Forschungsthemen sind u.a. ?Rohstoffkritikalit?tsbewertung“, ?Supply Chain Management“ oder ?Life Cycle Assessment“, welche sich auf alle Wasserstoff Thematiken transferieren lassen und einen wichtigen Teil der Systemanalyse sind.

Prof. Dr. Thorenz

H2@MRM Resource Lab

Prof. Axel Tuma ist Wirtschaftswissenschaftler und Mitgründer des Resource Lab. Seine Forschungsschwerpunkte liegen in der Gestaltung nachhaltiger Wertsch?pfungssysteme, der Bewertung von Kreislaufwirtschaftskonzepten sowie der Umsetzung einer energie-effizienten Produktion. Methodisch beruhen seine Arbeiten auf der Verknüpfung von gemischt-ganzzahligen Optimierungsmodellen und Meta-Heuristiken mit Bewertungsans?tzen aus dem Life-Cycle-Assessment.

Prof. Axel Tuma

H2@MRM Wirtschaftsinformatik

Prof. Andreas Rathgeber ist derzeitiger Gesch?ftsführer des Instituts für Materials Resource Management. Als Lehrstuhlinhaber setzt sich die Arbeitsgruppe mit den Themen um Rohstoffe und Rohstoffm?rkte auf dem Gebiet Commodity Finance auseinander. Damit einher gehen des Weiteren allgemeine Fragestellungen im Bereich Corporate Finance und Capital Markets.

Prof. Andreas Rathgeber

H2@HSA/MRM Leichtbau und Faserverbundtechnologien

Prof. André Baeten lehrt und forscht an der Hochschule Augsburg zu Leichtbau und Faserverbundtechnologien sowie zur Fluid-Struktur Interaktion von flüssigen Transportmedien in Leichtbautanks. Weitere Themen sind die Entwicklung und Fertigung von modularen Leichtbaustrukturen (Tanks, Einhausung und Peripherie) für H2-basierte Brennstoffzellen und die Optimierung der Transportlogistik für verschiedene Zustandsformen von H2. Er leitet zudem die Labore für Faserverbundbauweisen und additive Fertigung.

Prof. André Baeten

H2@AMU MINT_Bildung

Das AMU hat als einen seiner Forschungsschwerpunkte den Bereich ?MINT-Bildung“, der von Frau Dr. Menner geleitet wird. Seine Aufgabe ist es, aktiv Wissen in die Gesellschaft von Schüler*innen bis hin zu Erwachsenen zu transferieren. Gerade in der Bev?lkerung ist es unabdingbar das Thema Wasserstoff mit seinen vielseitigen Anwendungsm?glichkeiten und positiven Effekte auf das Weltklima zu adressieren und aufzuzeigen.

Foto Marietta Menner

拉斯维加斯赌城